HSSG (high speed steel ground) straight flute, Second hand taps.Ideal for hand tapping with a Tap Wrench or Power tool/Machine depending on the application, can tap through or blind holes in most materials.
Uncoated

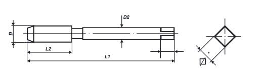
D-Nominal Diameter 10 x 1.5
L1-Overall Length 80
L2-Length of Cut 24
D2-Shank Diameter 10.0
⍁-Square of the Tap 8.0
Application:
Tolerance: ISO2/6H